安装与接线


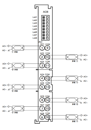
接线图

*COM端内部导通。
*所有通道负载需同源,通道之间不隔离。